Tubos de vacuo TDI 90cv Onde Ligar?? Clube Golf Portugal

Agradecido 270 veces en 233 mensajes. Cambia primero los tubos de vacío, yo utilizo manguitos de retorno de combustible y los encuentras en cualquier tienda de repuestos del automóvil. Una vez descartes estos tubos podrás ver si la caja de válvulas realmente te esta fallando o simplemente hace ruido. Como te comentaba Jmageitos, si ves que.
Esquema De Tubos De Vacio Para Motor Tdi Asv Reseñas Motor

Guía de conectores para electroválvulas. Mayo 17, 2023 por Scott Louis Simonson. Figura 1: A Conector de electroválvula DIN C. Los conectores de electroválvulas conectan las electroválvulas a otros componentes del sistema, como la fuente de alimentación, los dispositivos de control, los sensores y los transductores.
Instalación de Caja de Válvulas PDF
Cajas de seccionamiento NOVAIR Medical. La caja de válvulas permite en particular: señalar los fallos de presión y de vacío. aislar el circuito de los gases médicos conectados a la red de canalización del hospital en caso de intervención por reparación o mantenimiento. la conexión de emergencia de los servicios a una fuente de reserva.
Caja de Válvulas TF80 cajadevalvulas coche vehiculo reparacion Music instruments, Audio

1-1/2" PVC Compression Swing Check Valve. 37,36 US$. Añadir al carrito. 3" Clear PVC True Union Swing Check Valve. 106,54 US$. Añadir al carrito. Mostrar. Las válvulas se utilizan para regular el flujo de un sistema. En Drainage Connect, contamos con una amplia variedad de válvulas que ayudan a garantizar que su sistema tenga la presión y.
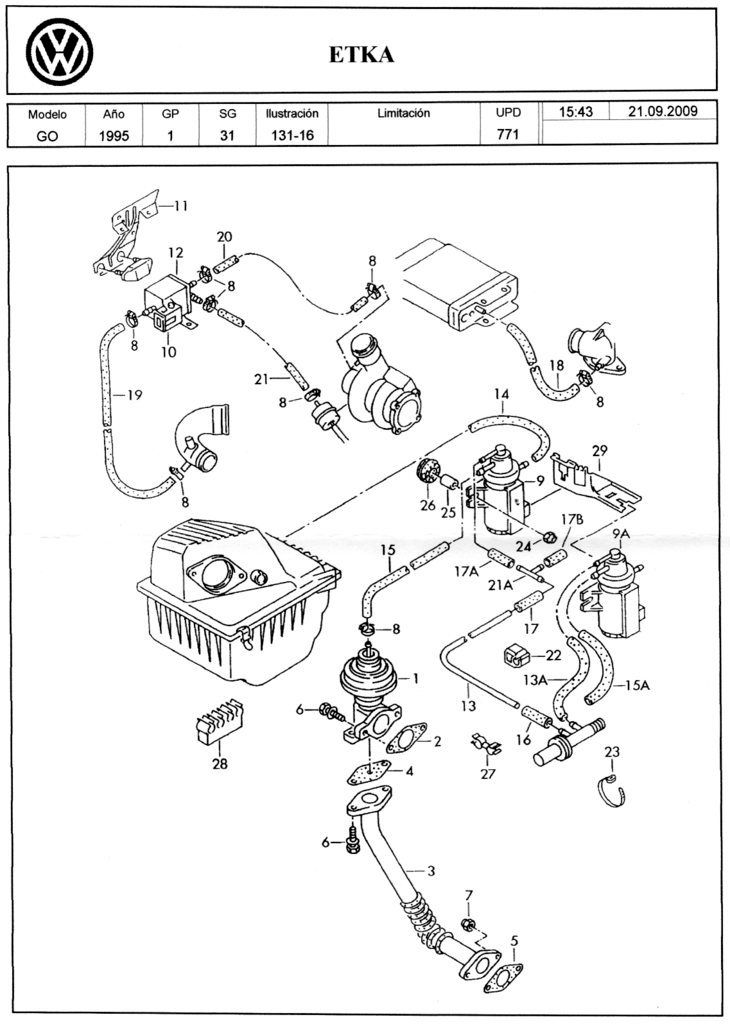
6Q0131075 TUBOS CAJA DE VALVULAS BKD 2000 TDI VAG DESPIECE AUDI SEAT VOLKSWAGEN SKODA

Conexiones Tubos y Válvulas de México S.A. de C.V. es una empresa orgullosamente mexicana que se ha destacado por más de 25 años, por su compromiso con la excelencia en servicio y la calidad de sus productos. Nuestra tubería, válvulas, conexiones y material estructural son de las mejores marcas y cumplen con las normas de calidad que se.
rele 109

Cuando se trata de instalar cajas de válvulas, la eficiencia, la estabilidad y la durabilidad son primordiales. Entendemos los desafíos que enfrentan durante la instalación y es por eso que hemos innovado y desarrollado una gama de cajas de válvulas que agilizan el proceso, ofrecen mayor durabilidad y cuentan con características que las distinguen en el mercado.
A1 TURBO VALVULA VACIO NUEVA 1.4 TFSI turbo audia1 tfsi YouTube

Detalles. Adaptador para tuberías de PVC tipo SAP de 2". Aplicación: conexión de tubos o curvas SAP de PVC de 2" hacia caja de pase. La conexión del adaptador se da al ras del hueco de caja de pase eliminando tubos salientes internamente. Ficha Técnica.
diagrama de mangueras de vacio VALVULITA

Aquí se muestra como van distribuidos todos los tubos de vacío del sistema motor de un Seat 1.9 TDI del año 2001.
diagrama tubuladuras de vacio tdi bew 1.9, bora

La conexión correcta de las válvulas fortalece la esencia misma de un sistema, como un firme apretón de manos entre componentes. No es simplemente una fusión de metales; es una convergencia de confianza. Cuando uno opta por el tipo de conexión de válvula correcto, no sólo está ensamblando un sistema; está construyendo una fortaleza.
Esquema De Tubos De Vacio Para Motor Tdi Asv Reseñas Motor

Conexion Tubos - Tubos e Conexões. Somos uma empresa do ramo de distribuição de material em aço carbono , inox e aço liga. oferecendo sempre uma solução inteligente e econômica para quem precisa de manutenção ou construção. Para informações e vendas contate-nos! contato@conexiontubos.com.br | 11 4509-6929.
Caja de válvulas de vacío Grupo VAG

Función y uso de conectores, válvulas y cajas de sección. Una de sus principales funciones es la de interrumpir al instante el flujo de gas en un determinado tramo de la tubería, ya sea en secciones específicas o en la totalidad de la red, dependiendo de dónde se encuentre ubicada. La ubicación de las válvulas debe ser algo planeado con.
conexion mangueras de vacio motor d4bf

Valores. TUBOS VALCON S.A. DE C.V. es una empresa 100% Mexicana dedicada a la Comercialización y Distribución de Tuberías, Válvulas y Conexiones. Cuenta con expertos en la materia para proporcionar la más acertada opción a las necesidades de sus proyectos. Nuestra empresa está enfocada en servir a la industria de la construcción.
Caja de válvulas para Audi Allroad 4b/c5 4f0616013

Características. Proporciona un acceso cómodo al emisor subterráneo y al mismo tiempo lo protege contra el vandalismo. Ideal para dispositivos de salidas múltiples (como Xeri-Bird 8) y el kit de válvula de alivio de aire/vacío. El nuevo cuerpo más grande permite más espacio para los componentes y las tuberías de distribución.
Tubo de vacío con válvula antirretorno para Golf 4 y Bora TDi 1J0612041FD 1J0612041FD

Blvd. José María Morelos #749 Fracc. Brisas del Lago. León, Gto. CP 37207
Lista 93+ Foto Esquema Diagrama De Mangueras De Vacio Chevy Tbi El último

Procederás a construir (armar y colar) el piso de la caja de válvulas. Lo siguiente será levantar los 4 muros de la caja (recuerda dejar los espacios de las tubos). Ahora repellarás los muros de la caja, además de elaborar cualquier atraque interior que te marque el proyecto. Procederás a introducir los tubos y válvulas dentro de la caja.
Lista 93+ Foto Esquema Diagrama De Mangueras De Vacio Chevy Tbi El último

Equipos para Control de Gases Medicinales > Válvulas SKU: N/A. Para Cotizar el equipo deberá especificar los siguiente: *Especificar la profundidad de la caja de montaje (10cm / 14cm). *Número de válvulas especificando el diámetro y tipo de gas (por cada caja). *Para una cotización formal, descargue la hoja de configuración del equipo.
.